การแก้ไขและการกรองแหล่งจ่ายไฟ DC ที่มีการควบคุม:
1. การจำแนกประเภทของวงจรเรียงกระแส
(1) ตามประเภทของแหล่งจ่ายไฟ AC อินพุตสามารถแบ่งออกเป็นการแก้ไขแบบเฟสเดียวและการแก้ไขแบบสามเฟส
(2) ตามกำลังขับสามารถแบ่งออกเป็นพลังงานขนาดเล็กและพลังงานสูง แหล่งจ่ายไฟ DC พลังงานขนาดเล็กมักจะใช้วงจรเรียงกระแสเฟสเดียว ในขณะที่แหล่งจ่ายไฟ DC พลังงานขนาดใหญ่มักจะใช้วงจรเรียงกระแสสามเฟส
(3) ตามประเภทขององค์ประกอบวงจรเรียงกระแสสามารถแบ่งออกเป็นวงจรเรียงกระแสที่ควบคุมได้และวงจรเรียงกระแสที่ไม่สามารถควบคุมได้ ในวงจรเรียงกระแสที่ควบคุมได้ โดยการเปลี่ยนเวลาตรงของส่วนประกอบเรียงกระแสเพื่อควบคุมขนาดของแรงดันเอาต์พุต ในวงจรเรียงกระแสที่ไม่สามารถควบคุมได้ เวลาขององค์ประกอบวงจรเรียงกระแสไม่สามารถควบคุมได้ เมื่อแรงดันไฟฟ้าขาเข้าของวงจรเรียงกระแสและโหลดต้องแน่นอน แรงดันเอาต์พุตจะต้องเป็น
2. หลักการทำงานพื้นฐานของวงจรเรียงกระแส
วงจรเรียงกระแสที่ใช้การนำไฟฟ้าทิศทางเดียวของไดโอดเรียงกระแส กระแสสลับเป็นไฟฟ้าที่เร้าใจในทิศทางเดียว แรงดันเอาต์พุตประกอบด้วยส่วนประกอบ DC บางอย่าง
3. วงจรเรียงกระแสเฟสเดียวและตัวบ่งชี้ประสิทธิภาพหลัก
ตั้งค่า U2 สำหรับแรงดันไฟฟ้า rms ของด้านทุติยภูมิของหม้อแปลง, RL สำหรับความต้านทานโหลด, Uo สำหรับส่วนประกอบ DC ของแรงดันเอาต์พุตของวงจร, UDRM สำหรับไดโอดที่จะทนต่อแรงดันย้อนกลับสูงสุด, ID สำหรับค่าเฉลี่ยของกระแส ไหลผ่านไดโอด วงจรเรียงกระแสเฟสเดียวและตัวบ่งชี้ประสิทธิภาพหลักแสดงไว้ในตารางที่ 1
4. วงจรกรอง
(1) บทบาทของวงจรกรอง
วงจรกรองคือการใช้ความจุ ความเหนี่ยวนำในวงจรกักเก็บพลังงาน และคุณลักษณะของความถี่ต่างๆ มีรีแอกแตนซ์ที่แตกต่างกันเพื่อสร้างวงจรกรองความถี่ต่ำผ่านเพื่อลดการกระเพื่อมในแรงดันไฟขาออก
(2) วงจรกรองตัวเก็บประจุ
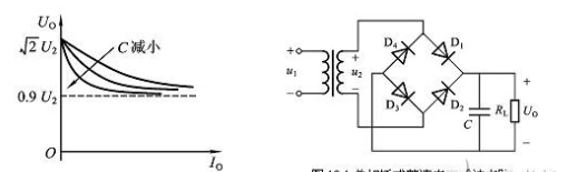
วงจรกรองตัวเก็บประจุวงจรเรียงกระแสบริดจ์เฟสเดียวแสดงในรูปที่ 10.1 และลักษณะภายนอกของวงจรนี้จะแสดงในรูปที่ 10.2

(3) ลักษณะของวงจรกรองตัวเก็บประจุ
1 ค่าเฉลี่ยของแรงดันไฟขาออก Uo มากกว่าค่า RMS ของแรงดันไฟฟ้าที่ด้านทุติยภูมิของหม้อแปลง U2
เมื่อประเภทแหล่งจ่ายไฟ DC ควบคุมและการเลือก การแก้ไขและการกรองแหล่งจ่ายไฟ DC ควบคุม
(T คือคาบของแรงดันไฟฟ้ากระแสสลับ) ซึ่งเป็นค่าเฉลี่ยของแรงดันไฟขาออก
ประเภทของแหล่งจ่ายไฟ DC แบบควบคุมและการเลือกใช้ การแก้ไขและการกรองแหล่งจ่ายไฟ DC แบบควบคุม
2 ขนาดของแรงดันไฟขาออก DC ได้รับผลกระทบอย่างมากจากการเปลี่ยนแปลงโหลด เหมาะสำหรับโอกาสที่โหลดไม่เปลี่ยนแปลงหรือกระแสไฟขาออกไม่มาก
3 ยิ่งความจุตัวกรองมากเท่าใด ผลการกรองก็จะยิ่งดีขึ้นเท่านั้น
กระแสไฟกระชากที่ไหลผ่านไดโอดมีขนาดใหญ่ และควรเลือกพารามิเตอร์กระแสของไดโอดโดยมีระยะขอบ 2 ~ 3 เท่า
(4) วงจรกรองรูปแบบอื่น
นอกจากวงจรกรองคาปาซิเตอร์แล้ว ยังมีฟิลเตอร์ตัวเหนี่ยวนำ, ฟิลเตอร์ RC-π, ฟิลเตอร์ LC-π และวงจรอื่นๆ อีกด้วย






