อะไรคือสาเหตุของความต้านทานที่ขาดของมัลติมิเตอร์
หากเฟืองตัวต้านทานของมัลติมิเตอร์เชิงกล ซึ่งก็คือพอยน์เตอร์มัลติมิเตอร์เสียหาย แต่สามารถทดสอบเฟืองอื่นๆ ได้ตามปกติ หมายความว่าหัวมิเตอร์ไม่ควรได้รับผลกระทบ ตามหลักการทดสอบของไฟล์ความต้านทานของมัลติมิเตอร์ มีโอกาสสูงที่ตัวต้านทานความแม่นยำการแบ่งแรงดันและการแบ่งแรงดันของไฟล์ความต้านทานจะถูกเบิร์นออกหรือค่าความต้านทานเปลี่ยนแปลง สาเหตุที่เป็นไปได้มากที่สุดที่ทำให้ไฟล์ความต้านทานของมัลติมิเตอร์เชิงกลเสียหายคือการใช้ไฟล์ความต้านทานเป็นไฟล์แรงดันเพื่อทดสอบแรงดัน ดังนั้น ก่อนการทดสอบแต่ละครั้ง คุณต้องทำความคุ้นเคยเพื่อดูว่าเลือกเกียร์ถูกต้องหรือไม่ และพัฒนานิสัยการทดสอบที่ดี
สิ่งกีดขวางทางไฟฟ้าของมัลติมิเตอร์ตัวชี้เสีย และสามารถใช้เกียร์อื่นได้ แสดงว่าหัวของมัลติมิเตอร์นั้นดี เกิดจากการใช้งานที่ไม่ถูกต้อง มีสองเหตุผลสำหรับเรื่องนี้ วิธีหนึ่งคือการวัดตัวต้านทานแบบพันลวดหลายตัวที่มีความต้านทานน้อยในบล็อกกระแสไฟ AC220V เมื่อดึงบล็อกกระแสไฟ DC ออก (ไม่ว่าจะเป็นมัลติมิเตอร์พอยน์เตอร์ประเภทใด ล้วนเป็นตัวต้านทานแบบพันลวดทั้งสิ้น และก็คือ ทั้งหมดทำจากค่าคงที่ ลวดความต้านทานมีบาดแผล และค่าความต้านทานมีขนาดเล็กมาก ชนิด MF-47 มีความต้านทาน 4 ค่า ได้แก่ 0.54Ω, 5.4Ω, 54Ω, 540Ω) แต่สิ่งที่เจ้าของบอกว่ามัลติมิเตอร์มีปัญหาเฉพาะกับสิ่งกีดขวางทางไฟฟ้าดังนั้นจึงไม่มีปัญหากับเกียร์นี้
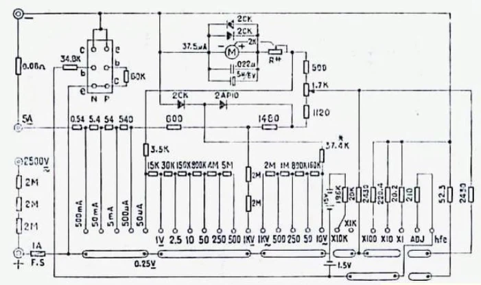
เหตุผลที่สองคือ สำหรับอุปกรณ์อิเล็กทรอนิกส์และช่างไฟฟ้าระดับเริ่มต้น หลังจากใช้องค์ประกอบการวัดการปิดกั้นทางไฟฟ้าของมัลติมิเตอร์หรือตรวจสอบวงจร พวกเขาไม่ได้เปลี่ยนเกียร์ของมัลติมิเตอร์เป็นเกียร์ AC 500V จากนั้นจึงเปลี่ยนไปใช้สายหรือเต้ารับไฟฟ้ากระแสสลับ 220V เกิดจากไฟฟ้ากระแสสลับในการทดสอบ มีหลายรุ่นและผู้ผลิตมัลติมิเตอร์แบบพอยน์เตอร์ที่ใช้กันทั่วไป มัลติมิเตอร์ที่ใช้บ่อยที่สุดและใช้กันอย่างแพร่หลายคือมัลติมิเตอร์แบบเก่า 500 และ MF-47 ที่ผลิตในหนานจิง ข้อมูลต่อไปนี้ใช้ MF-47 เพื่อวิเคราะห์และแก้ไขปัญหา แผนภาพวงจรแสดงในรูปด้านล่าง:

①MF{{0}} มัลติมิเตอร์มีเกียร์กระแสตรง (DCA) รวมเป็นห้าเฟืองทั่วไปบวกแจ็คขยายกระแสสูง 5A 0~0.05mA~0.5mA ~5mA-50mA~500mA.
②มีเกียร์แปดตัวที่ใช้กันทั่วไปสำหรับแรงดันไฟฟ้ากระแสตรง (DCV) พร้อมแจ็คต่อที่สามารถวัด DC2500V 0~0.25V~1V~2.5V~10V~50V~250V~500V~1000V~2500V.
③แรงดันไฟฟ้ากระแสสลับ (ACV) มีหกเฟือง 0~10V~50V~250V~500V~2500
④ DC blocking (Ω) ห้าเกียร์ R×1Ω R×10Ω R×100Ω Rx1KΩ R×10KΩ นอกจากนี้ยังมีเสียงกริ่งถนนระหว่างการวัด (เมื่อค่าความต้านทานของสายอยู่ที่ 3~10Ω เสียงกริ่งจะส่งเสียงเตือน) เนื่องจากพื้นที่จำกัด จึงละเว้นฟังก์ชันต่างๆ เช่น ทรานซิสเตอร์ DC แอมพลิฟายเออร์แฟกเตอร์ hFE การตรวจจับสัญญาณการปล่อยรีโมทคอนโทรลอินฟราเรด และฐานข้อมูลระดับเสียง
ก่อนอื่น เมื่อทำการวัดความต้านทานไฟฟ้า ให้สอดสายวัดทดสอบสีดำเข้าไปในรู → ขั้วลบของหัวมิเตอร์ → ตัวต้านทาน 20.2Ω ตัวต้านทาน 220.4Ω และตัวต้านทาน 2430Ω ซึ่งทั้งหมดนี้ขนานกับหัวมิเตอร์ ในเวลานี้ สายวัดทดสอบสีแดงเสียบเข้ากับแจ็คสิบตัวของมัลติมิเตอร์ ผ่านท่อประกัน 1A → แบตเตอรี่แห้ง 1.5V ต่ออนุกรมกับตัวต้านทาน จากนั้นผ่านตัวต้านทาน 20k → ตัวต้านทาน 1..7k เพื่อป้องกันโพเทนชิออมิเตอร์ปรับค่าศูนย์ได้ → ตัวต้านทาน 500Ω → มิเตอร์อีกตัวถูกปรับเทียบแล้ว R บวก → ขั้วบวกของมิเตอร์เป็นบวก มันง่ายที่จะเข้าใจวงปิด ตามประสบการณ์ส่วนตัว คุณสามารถค้นหาได้
ใช้มัลติมิเตอร์ตัวอื่นเพื่อค้นหาและวัดค่าความต้านทานเหล่านี้ โดยทั่วไปรอยเลื่อนแบบนี้จะเผาเฉพาะตัวต้านทานที่ใช้ในขณะนั้นเท่านั้น ตัวต้านทานเหล่านี้เป็นตัวต้านทานค่าที่ไม่ได้มาตรฐาน ซึ่งสามารถต่ออนุกรมกับตัวต้านทานที่เสียหายหรือถูกแทนที่ด้วยชิ้นส่วนของลวดต้านทานค่าคงที่ที่พันด้วยตัวมันเอง ลวดคอนสแตนแทนสามารถสกัดกั้นได้จากโพเทนชิโอมิเตอร์แบบแปรผันของลวดพัน (หากเป็นแพตช์ประเภท MF ที่ถูกกว่า-47 คุณสามารถขอความช่วยเหลือจากผู้ผลิตเท่านั้น)
